Cena stavebnice dle specifikace, včetně dopravy na místo v ČR a DPH:179 000,-Kč
Prémiová sauna Oreo L je kompaktní, elegantní a plně funkční venkovní sauna vyrobená z thermowoodu, tedy tepelně upraveného dřeva s vysokou rozměrovou stabilitou, odolností proti vlhkosti a minimální potřebou údržby. Moderní minimalistická architektura v kombinaci s velkým panoramatickým oknem vytváří jedinečný wellness prostor, který perfektně zapadne do přírody, k vodní hladině i na moderní zahradu.
Díky chytrému půdorysu, kvalitnímu řemeslnému zpracování a použití prvotřídních materiálů nabízí Oreo L pohodlné saunování pro jednotlivce, páry i menší skupinu. Její design maximálně propojuje interiér s okolní krajinou, takže relaxace získává nový rozměr – sedíš v sauně, ale máš pocit, jako bys byl venku.
⚠️ Cena zahrnuje stavebnici. Montáž není v ceně.
Montáž je možná svépomocí nebo prostřednictvím naší firmy.
Oreo L – moderní sauna z thermowoodu
Sauna je ideální jako:
• zahradní sauna k domu či chatě
• součást soukromé wellness zóny
• prémiový doplněk k jezírku nebo bazénu
• stylová sauna pro glamping a pronájem
• kompaktní, ale plnohodnotné řešení pro pravidelné saunování
Dispozice kombinuje saunovou místnost a venkovní terasu (volitelné řešení), což umožňuje perfektní ochlazení a posezení mezi jednotlivými cykly.
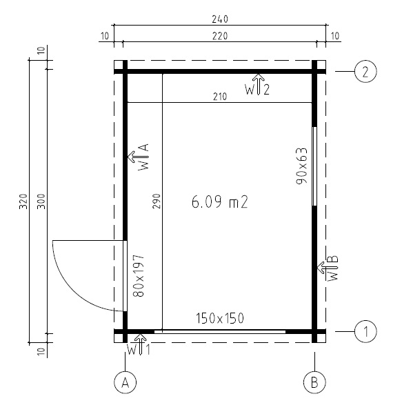
Dispozice a velikosti prostor
• Saunová místnost: 240x320cm (6,09m2)
• Lavice ve dvou výškových úrovních
• Prosklená čelní stěna = panoramatický výhled
• Možnost doplnit o venkovní terasu
Pro koho je sauna Oreo L ideální?
✅ pro jednotlivce a páry
✅ pro menší rodiny
✅ pro milovníky klasické finské sauny
✅ pro přírodní pozemky, zahrady, chaty
✅ pro glamping a prémiové pronájmy
✅ jako designový doplněk u vody
Optimální kapacita: 2–4 osoby
Konstrukce a dodání
Sauna je vyrobena z vysoce odolného thermowoodu, jehož vlastnosti zajišťují dlouhou životnost a minimální údržbu. Konstrukce je přesná, stabilní a promyšlená do detailu – zahrnuje rámové prvky 45×95 mm, kvalitní zasklení a bezpečné vedení komínu.
Stavebnice obsahuje:
• thermowood konstrukci dle technické dokumentace
• kompletní stěnové, podlahové a střešní prvky
• velké panoramatické okno
• dveře + kvalitní kování
• střechu s bitumenovou krytinou
• spojovací materiál
• technickou dokumentaci
• montážní návod
⚠️ Cena zahrnuje stavebnici. Montáž není v ceně.
Montáž je možná svépomocí nebo prostřednictvím naší firmy.
Hlavní výhody modelu Oreo L
✅ Konstrukce z prémiového thermowoodu
✅ Velké panoramatické okno s výhledem do krajiny
✅ Moderní minimalistický design
✅ Kompaktní, ale plnohodnotná finská sauna
✅ Rychlá montáž díky precizní stavebnici
✅ Minimální údržba a vysoká životnost
✅ Ideální pro soukromé i komerční použití







